Downloads -> Electro circuit diagrams

 

       
Elektro circuit diagrams
   

Products for the milk technology

       
Tank control units WTS-100-2
  WTS-100-2 G1
  WTS-200
  WTS-200 G1
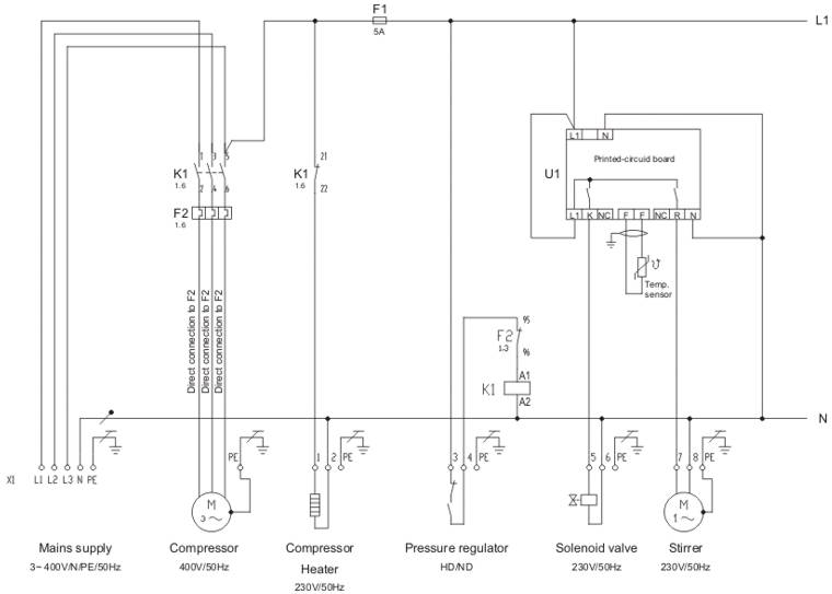
  WTS-300
  WTS-300-G1-000
  WTS-300-G1-001
  WTS-300-G1-002
  WTS-300-G1-003
  WTS-300-G1-004
  WTS-300-G1-005
  WTS-300-G1-006
     
Control units for milking systems RM-30
  RM-20
  WMS-100
     
Milk temperature regulators MRF-M2
  MRF-M
  MPR-M
  ETM-W300
  MS-5000-230 V
  MS-5000-400 V
     
Tank monitoring systems TW-31-230
  TW-31-400-1
  TW-31-400-2
  TW-32-230
  TW-32-400-2
       
Communikation modules ESIPM-001
  ESGSM-001
       
Pasteurizer controller MRF-2-PA2
       
Liter display LA-10
       
Timer for infrared heaters MRF-U-A-G2
       
Ice bank regulators and level controller
EA-200
       
       

Accessories

   
Agitator monitoring module ESVAW-001
  ESVAW-002
  ESVAW-003
  ESVAW-004
       
Communikation modules ESIPM-001
  ESGSM-001
       
USB module external ESUSB-1

 

   

Please give us a call:   +49 (0) 26 38 93 20-0

WELBA GmbH
Electronic Control Systems

Gewerbepark Siebenmorgen 6
D-53547 Breitscheid

t  +49 (0)2638 / 9320-0
f  +49 (0)2638 / 9320-20

info@welba.de

Produkts for industry and other sectors Customer special solutions Products for milk technology german version Home