PDF Info folder
WTS-100-2

WTS-100-2 G1

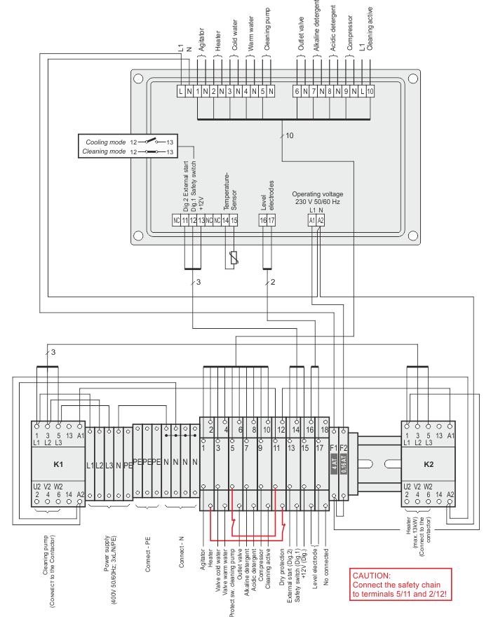
Tank control unit with cleaning function
completely in the control box


WTS-100-2 completely in the control box.

Perfect for the retrofitting of existing systems!!

 

The universal cooling-tank control unit is also available pre-installed in a sturdy switchbox (IP65) for wall mounting. All necessary contactors for washing pump and heater are already built in and fully wired.

All consumers are connected directly via terminals.

 

All other features look at : WTS-100-2


  Connection

as PDF Download

 

to the top

   
   

Please give us a call:   +49 (0) 26 38 93 20-0

WELBA GmbH
Electronic Control Systems

Gewerbepark Siebenmorgen 6
D-53547 Breitscheid

t  +49 (0) 2638 / 9320-0
f  +49 (0) 2638 / 9320-20

info@welba.de

Customer special solutions Products for milk technology german version Produkts for industry and other sectors Home