Complete Control Cabinet for Milkcooling Tanks MS-5000 |
|
|
|
Cooling control for open tanks and immersion coolers
(incl. sensor)
|
|
The MS-5000 is a fully automatic control for the compressor, fan and stirrer motors in open tanks and immersion coolers.
An integrated electronic temperature regulator with digital display is also equipped with automatic afterstirring. The refrigeration compressor runs in „pump down“ mode. |
- Integrated temperature regulator
- Freely selectable target temperatures and hysteresis
- Switchover between target values 1 and 2 on plastic foil keyboard
- Agitator control:
Interval and stirring time can be programmed on plastic foil keyboard
- OFF-function on plastic foil keyboard
- When switched off, manual stirring is still possible
- With pump-down control
Equipment:
| |
1 |
Digital thermostat |
| |
1 |
Foil keyboard (IP65) |
| |
1 |
Compressor contactor |
| |
1 |
Motor protection switch (optional) |
| |
1 |
Control fuse |
| |
1 |
Terminals connected in series |
| |
2 |
Cable screw M20 |
| |
3 |
Cable screw M16 |
| |
1 |
Cable screw M12 |
| |
1 |
Temperature sensor |
|
|
|
Versions
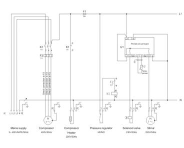
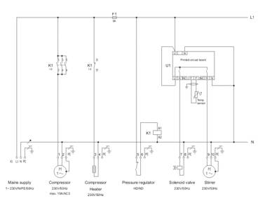
For open tanks and immersion coolers without their own switch box, a power contactor is installed in the MS-5000 to switch large compressors directly. |
|
- - - - - - - - - - - - - - - - - - - - - - - - - - - - - - - - - - - - - - - - - - - - - - - - - - - - - - - - - - - - - - - - - - - - - - - - - - - - - - - - - - - - - |
 |
Version for 230 V: (for 1-phase systems)
without motor protection switch
| Art-No. |
Compressor |
| MS-5000K-00-1 |
without motor protection switch |
|
- - - - - - - - - - - - - - - - - - - - - - - - - - - - - - - - - - - - - - - - - - - - - - - - - - - - - - - - - - - - - - - - - - - - - - - - - - - - - - - - - - - - - |
 |
Version for 400 V: (for 3-phase systems)
Here one contactor with motor protection switch (see table) is installed in each case.
| Art-No. |
Compressor |
| MS-5000K-04-3 |
with motor protection switch 2,4 - 4 A |
| MS-5000K-06-3 |
with motor protection switch 4 - 6 A |
| MS-5000K-10-3 |
with motor protection switch 6 - 10 A |
| MS-5000K-12-3 |
with motor protection switch 10 - 12 A |
| MS-5000K-16-3 |
with motor protection switch 12 - 16 A |
|
|
| |
Connection |
|
| |
|
|
| |
Technical data |
|
|
Operating voltage
|
- 230V AC +N +PE, 50/60 Hz
- 400V AC +N +PE, 50/60 Hz |
Equipment |
230V AC +N +PE, 50/60 Hz
with screw terminals, or when
fitted with switching contactor
400V AC +N +PE, 50/60 Hz
with switching contactor and
motor protection switch |
Relay contacts |
2 make-contacts |
Max. switching voltage |
12A AC 1 |
Max. switching current |
250 V ~ |
Display |
13 mm LED display, 3 digits |
Measurement range |
-50° .. +150°C |
Display resolution
- Range -9,9 .. 99,9° C
- other |
0,1° C
1,0° C
|
Control type |
two-step regulator |
Target temperatur T1*
Target temperatur T2* |
factory-set to 4 °C
factory-set to 8 °C |
Hysteresis* |
0,1 K to 30 K
(standard adjusting 0,7 K) |
Agitator
- resting time (interval) *
- stirring time
|
factory-set to 20 min.
2 min.
|
Sensor type |
KTY 81-210 or PT-1000 |
Sensor cable lenght |
2 metres (or as required) |
Housing W x H x D |
135 x 170 x 145 mm |
Protection |
IP 65 |
Connection |
Screw terminals |
Environment specifications:
- Operation temperature
- Storage temperature
- max. humidity |
0° .. +50°C
-20° .. +70°C
75% (no dew)
|
|
* freely adjustable |
|