PDF info folder
ETM-W300

Milk temperature regulator ETM-W300


Milk temperature regulator for wall mounting

The ETM-W300 is an electronic temperature regulator for milk refrigeration, with digital display and an easily operated foil keyboard.

lt controls the milk refrigeration system´s stirrer motors and cooling machines.

  • High-quality foil keyboard with 4 buttons
  • 3-digit LED display
  • LED display of stirrer and compressor status
  • Target temperatures and hysteresis freely selectable
  • Frontal switch to change between target temperatures 1 and 2
  • Function "Periodic stirring short / long"
  • Separate button "permanent stirring"
  • Separate off-button
  • Delayed start to cooling of first milking

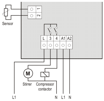
  Connection
 


  Technical data

Operating voltage

230V AC +/-10%, 50/60 Hz

Relay contacts

2 make-contact

max. switching current

each 12 A AC1

max. switching voltage

each 250 V ~

Display

13 mm LED - Display, 3 digits

Display range

-9,9 .. 99,9

Sensor type

KTY 81-210 or PT-1000

Sensor cable lenght

2 metres (or as required)

Measurement range
- Sensor cable PVC
- Sensor cable silicon


-25° .. 70°C
-25° .. 150°C

Target temperature T1*
Target temperature T2*

standard adjusting 4 °C
standard adjusting 8 °C

Control type

two-step regulator

Hysteresis*

0,1 K to 10 K
(Standard 0,7 K)

Housing
W x H x T

wall mounted housing
80 x 160 x 55 mm

Protection

IP 65

Connection

Plug-in screw connections

Environment specifications:
- Operation temperature
- Storage temperature
- max. humidity


-10° .. +50°C
-20° .. +70°C
75% (no dew)

 

* freely adjustable

   
   

Please give us a call:   +49 (0) 26 38 93 20-0

WELBA GmbH
Electronic Control Systems

Gewerbepark Siebenmorgen 6
D-53547 Breitscheid

t  +49 (0) 2638 / 9320-0
f  +49 (0) 2638 / 9320-20

info@welba.de

Customer special solutions Products for milk technology german version Produkts for industry and other sectors Home