PDF-Infobroschüre
WMS-100

Melkanlagensteuerung WMS-100


Konzipiert für den Einbau in Spülautomaten aller gängigen Melkanlagentypen.

 

Das Gerät übernimmt die Ansteuerung aller Anlagenkomponenten über ein flexibel programmierbares und einfach zu bedienendes Reinigungsprogramm.

Die Waschmittelzuführung ist sowohl über Becher als auch über Dosierpumpen (mit automatischem Waschmittel-Management) einstellbar.

Für ein optimales Waschergebnis werden unterschiedliche Airinjektor-Systeme zur optimalen Pfropfenbildung unterstützt.
Durch die individuelle Anpassbarkeit von Arbeitsschritten lässt sich ein erhöhtes Einsparpotential gegenüber natürlichen Ressourcen wie Reinigungsmittel, Energie und Wasser erzielen.

Die WMS-100 ist in hohem Maß ökonomisch und ökologisch.

 

Melkfunktionen

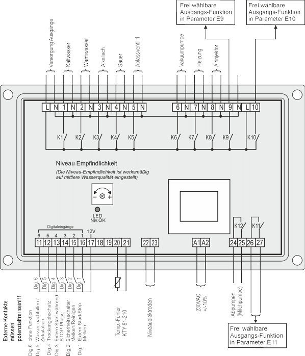
  • Ansteuern der Vakuumpumpe und des Ventils Vakuumerhöhung
  • Manueller Start der Milchpumpe zum Entleeren des Sammelbehälters

 

Reinigungsfunktionen

  • Integrierter, vollautomatischer Waschtimer
  • Wasserdosierung wahlweise über Zeit oder Niveau regulierbar
  • Verschiedene Spülprogramme
  • Alle Laufzeiten (Heizung, Pumpe, Waschmittel) separat einstellbar
  • Heiztemperatur einstellbar
  • Waschmittel-Umschaltung ‘sauer/ alkalisch’ einstellbar
  • Automatische Ansteuerung von bis zu zwei Ablassventilen
  • Spülschübe zur Erhöhung der Reinigungswirkung einstellbar

 

Zahlreiche Überwachungs-Funktionen

  • Waschtemperatur
  • Schlauchposition (Reinigungs- bzw. Melkposition) über Sicherheitsschalter
  • Fühlerüberwachung
  • Niveauüberwachung
  • Anzeige aktiver Vorgänge per LED’s

- - - - - - - - - - - - - - - - - - - - - - - - - - - - - - - - - - - - - - - - - - - - - - - - - - - - - - - - - - - - - - - - - - - - - - - - - - - - - - - - - - - -

 

Auch komplett im Schaltkasten:
Ideal für die Nachrüstung bestehender Anlagen!

Siehe WMS-100 G1

Details WMS-100 G1


  Anschluss


  Technische Daten

Betriebsspannung

230V AC +/-10%, 50/60 Hz

Relaiskontakte

12 Leistungsrelais (Schließer)

max. Schaltstrom

10 x je 10A AC1 bei 250V AC
2 x je 16A AC1 bei 250V AC

max. Schaltspannung

250V AC - 50..60 Hz

Anzeige
LED-Schaltzustandsanzeigen

3-stelliges Display, 13 mm
3 mm

Anzeigebereich Display

-99 bis 999

Fühlertyp

KTY 81-210

Fühlerkabellänge

2 Meter (oder auf Wunsch)

Messbereich

-5° bis +70°C

Temperaturauflösung

0,1°C

Wassererkennung

über 2 Elektroden (optional)

Digitale Eingänge

6 (über Optokoppler)

Anschluss

steckbare Schraubklemmen
für Kabel bis 2,5 mm²

Gehäuse
- Frontmaß
- Schalttafelausschnitt
- Einbautiefe


106 x 175 mm
156 x 96 mm
45 mm

Schutzart Gehäusefront

IP 64

Umgebungstemperatur
- Betriebstemperatur
- Lagertemperatur
- max. Feuchte


0° bis +50°C
-20° bis +70°C
75% (keine Betauung)

 

* frei einstellbar

   
   

Wir sind für Sie da:   +49 (0) 26 38 93 20-0

WELBA GmbH
Elektronischer Steuerungsbau

Gewerbepark Siebenmorgen 6
D-53547 Breitscheid

t  +49 (0)2638 / 9320-0
f  +49 (0)2638 / 9320-20

info@welba.de

Produkte für die Industrie und sonstige Branchen english Kunden-Sonderlösungen Produkte für die Milchtechnik Home